The Old
Car Manual Project
updated November 7, 2012

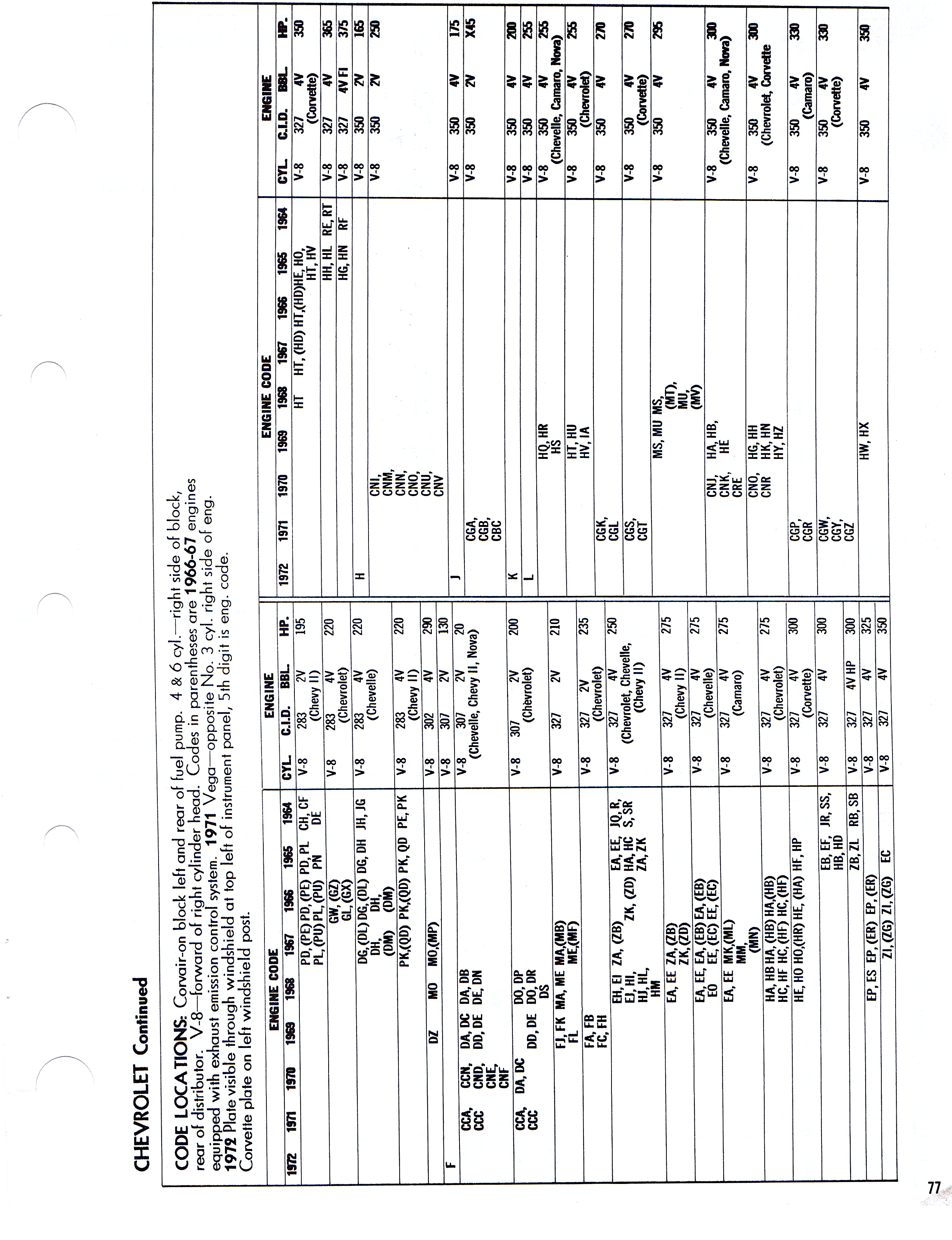
1960-1972 Tune Up Specifications 075


< prev. image image 79 of 91 next image >
<< first image back to thumbnail index last image >>

n_1960-1972 Tune Up Specifications 075.jpg

full size image

>

brochures home | new brochures | how to contribute | old index | privacy policy | oldcarblog | carburetor manuals