The Old Car Manual Project
updated September 1, 2011

Buick Chassis and Body Illustration and General Information Catalog

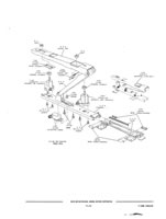
Group 11 - Rear Quarter Glass and Mouldings - Back Window Glass and Mouldings - Door Sill Plate - Seat Hard Parts - Adjuster - Dome Lamp

Click on a link below to browse

click on the image again to resize to your page