Navigation bar
  Start Previous page  25 of 40  Next page End Home  

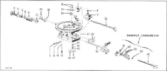
D. Disassembly - Throttle Body for Passenger Car Carburetors.
FIGURE 21. DISASSEMBLY-THROTTLE BODY FOR PASSENGER CAR CARBURETORS
The following list contains all of the parts to be removed from the throttle body in the order of their
removal.
Parts marked with an asterisk are to be discarded and replaced from a master repair kit.
Previous page Top Next page