Navigation bar
  Start Previous page  13 of 35  Next page End Home  

4. DISASSEMBLY
A. PREPARATION
Separate containers should be used for
parts and castings of the three major sub
assemblies: the air horn assembly, the main
body assembly, and the throttle body assembly.
The use of separate containers will facilitate
cleaning, inspection, and reassembly.
B. DISASSEMBLY - THREE MAJOR
SUBASSEMBLIES MODELS 2110-EE,
2110-EEC AND 2110-FF
These carburetors consist of three major
subassemblies: the air horn assembly, the main
body assembly, and the throttle body assembly.
Separation of these major subassemblies is the
first step in the disassembly procedure.
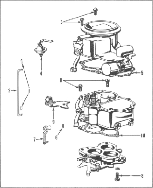
Figure 1. Disassembly - Major Subassemblies
Models 2110-EE, 2110-EEC and 2110-FF
The following list contains all parts to
be removed in separating the three major sub
assemblies. During disassembly discard all
gaskets, also all parts which have replacements
in the Master Repair Kit.
1. Remove the two fast idle cam rod
retainers and the fast idle cam rod. (Models
2110-EEC)
Figure 2. Removing Fast Idle Cam Rod
2. Remove the five air horn to main
body screws and lockwashers. Remove the dash
pot bracket and dashpot assembly if included.
Previous page Top Next page