Navigation bar
  Start Previous page  17 of 35  Next page End Home  

spring.
Figure 10. Removing Lever Plunger
9. Remove the two choke plate screws
and remove the choke plate.
10. Slide the choke shaft assembly out
of the air horn. Models 2110-EE and 2110-FF
(Trucks) also have choke shaft spring.
Figure 11 .
Removing Choke Shaft
Assembly
Model 2110-EEC
Figure 12. Removing Choke Shaft Assembly
Models 2110-EE and 2110-FF
8. Remove the choke lever plunger and
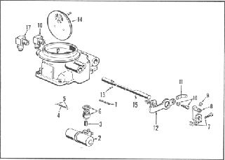
11. Remove the connection fitting and
gasket, discard the gasket.
12. Disassemble the dashpot from dash
pot bracket - AUTOMATIC TRANSMISSION.
E.
DISASSEMBLY - AIR HORN ASSEMBLY
(MODEL 2110-G)
The following list contains all parts to
be removed in disassembling the air horn as
sembly. During disassembly discard all gaskets,
also parts which have replacements in the Master
Repair Kits.
Figure 13.
Disassembly - Air Horn Assembly
Previous page Top Next page