Navigation bar
  Start Previous page  7 of 35  Next page End Home  

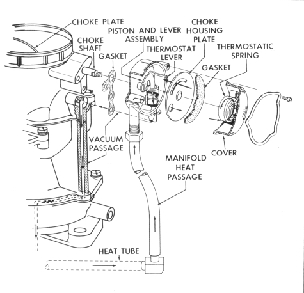
If the engine should approach a stall at an
time during the warm-up period, manifold vacuum 
will become weak. The tension of the thermosta 
spring then overcomes the reduced force actin
on the vacuum piston and the choke plate will b 
moved toward the closed position, providing 
richer mixture to allow the engine to "catch" an 
run smoothly again.
NOTE 
Inasmuch as this dual carburetor has two 
identically functioning barrels, only one side 
will be considered in the following explana
tions of the four basic fuel metering systems.
AUTOMATIC CHOKE
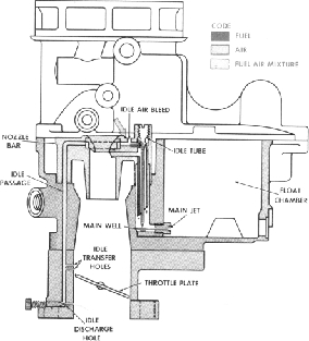
3. IDLE SYSTEM
At idle and low speeds, the engine does not 
draw sufficient air through the venturi to create 
a vacuum strong enough to operate the main 
metering system. Because of the almost closed 
throttle plates which greatly restrict air flow into 
the manifold at idle and low speeds, manifold vacu
um is high. This high manifold vacuum provides 
a pressure differential which operates the idle 
system.
At idle, the greatly reduced pressure area 
below the throttle plates causes the fuel to flow 
from the float chamber through the idle system. 
From the float chamber, the fuel proceeds through 
the main jet into the main well, and then into the 
idle tube. The fuel moves upward through the idle 
tubes and flows through holes in the side of the
head of the tube into the horizontal channel of the 
nozzle bar. The calibrated restriction, in the 
lower tip of the idle tube, meters the flow of fuel 
into the idle system. Air is added to the raw fuel 
by means of the idle air bleed in the horizontal 
channel. The booster venturi is circular and the 
fuel can flow through the channels on either side. 
After leaving the nozzle bar, the fuel-air mixture 
continues down the idle passage in the throttle 
body past the idle transfer holes which act as ad
ditional air bleeds when the throttle plate is in 
the curb idle position. The fuel then passes through 
the idle discharge hole into the strong manifold 
vacuum below the throttle plates.
The idle dis
charge hole is equipped with an idle adjusting 
needle to control the mixture delivered at idle.
During off idle operation, the throttle plate 
is moved slightly past the idle transfer holes, 
causing them to cease functioning as air bleeds, 
and begin to discharge fuel because of being ex
posed to manifold vacuum. As the throttle plate 
is opened still wider and the engine speed in
creases, the air flow through the carburetor is 
also increased. This creates a pressure dif
ferential in the venturi strong enough to bring 
the main metering system into operation. The 
flow from the idle system tapers off as the main 
metering system begins discharging fuel. The 
two systems are engineered to provide a smooth 
even transition from idle to cruising speeds.
IDLE SYSTEM
Previous page Top Next page