The Old Car Manual Project
updated October 25, 2011

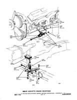
1953-1973 Corvette Parts and Accessories Catalog - Group 0.000 Engine and Clutch

Thumbnail Index

click on an image to browse; click again to resize to your screen