The Old
Car Manual Project
updated June 6, 2013

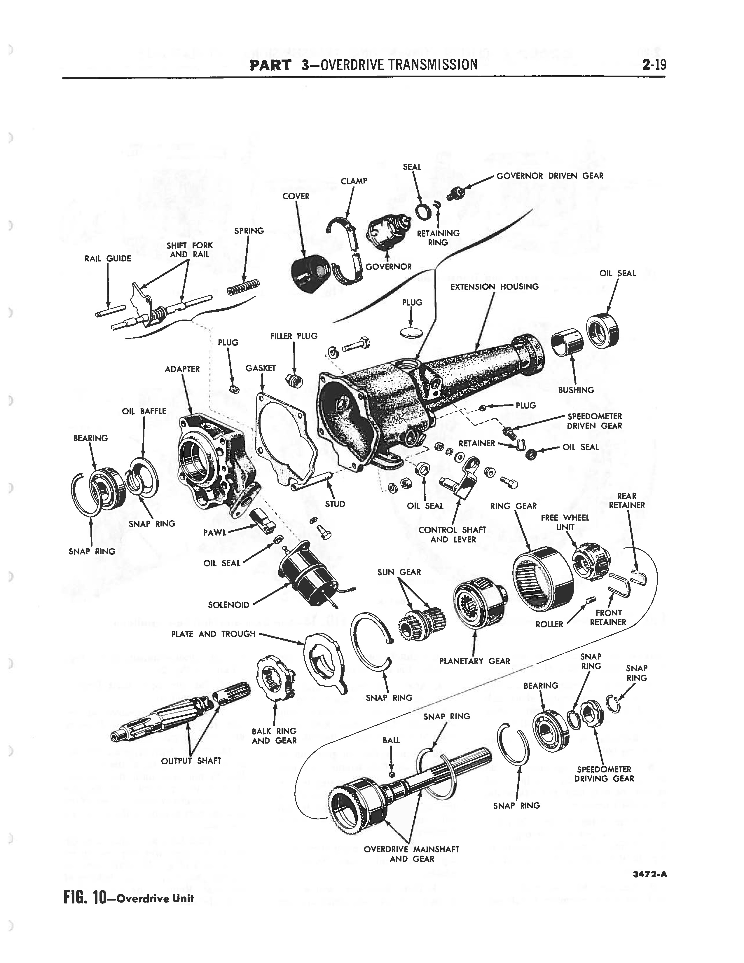
Group 02 Clutch Conventional Transmission, and Transaxle_Page_19


< prev. image image 105 of 360 next image >
<< first image back to thumbnail index last image >>

n_Group 02 Clutch Conventional Transmission, and Transaxle_Page_19.jpg

full size image

brochures home | new brochures | how to contribute | old index | privacy policy | oldcarblog | carburetor manuals