The Old
Car Manual Project
updated November 7, 2012

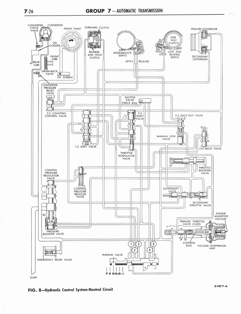
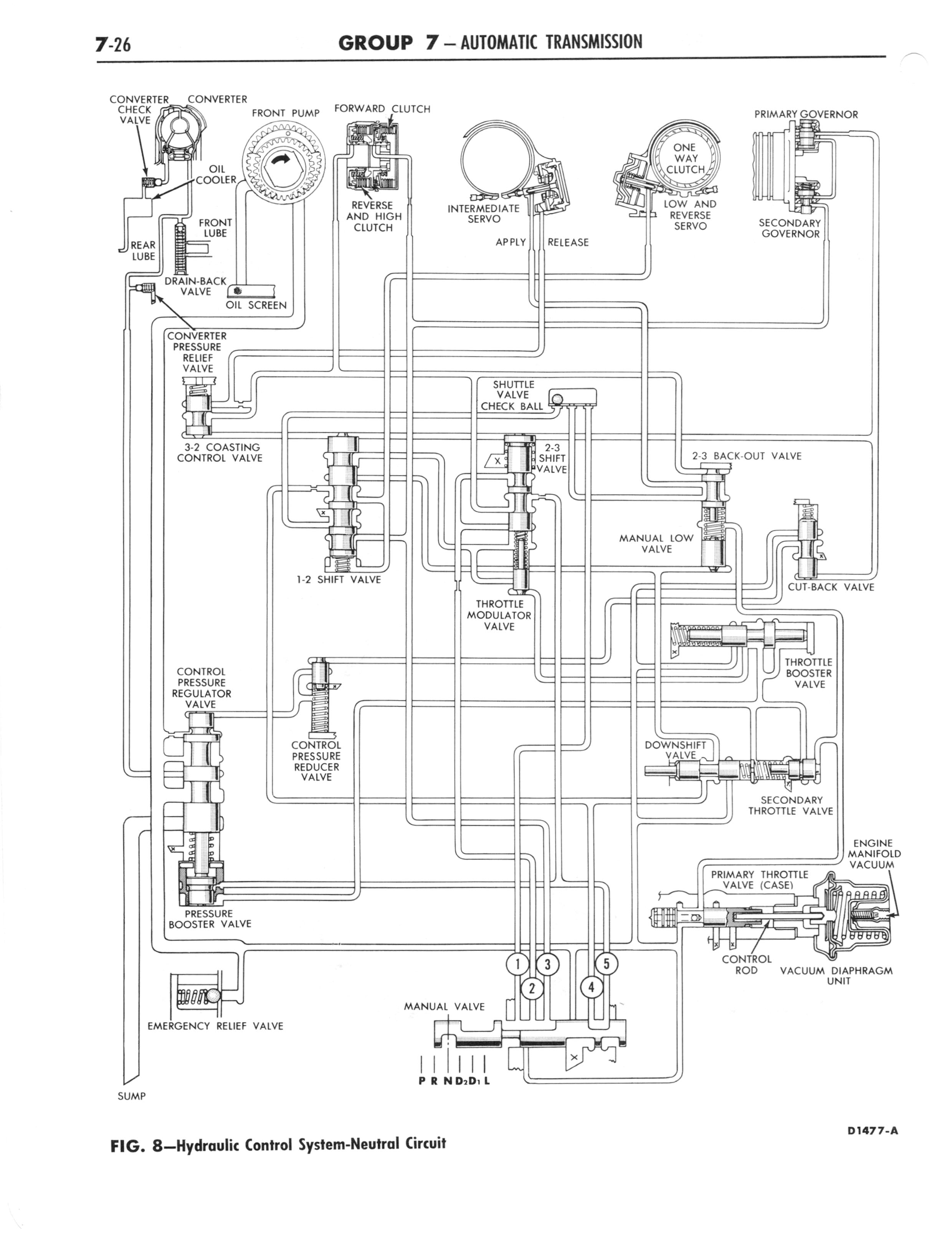
1964 Ford Mercury Shop Manual 6-7 030a


< prev. image image 60 of 120 next image >
<< first image back to thumbnail index last image >>

n_1964 Ford Mercury Shop Manual 6-7 030a.jpg

full size image

brochures home | new brochures | how to contribute | old index | privacy policy | oldcarblog | carburetor manuals