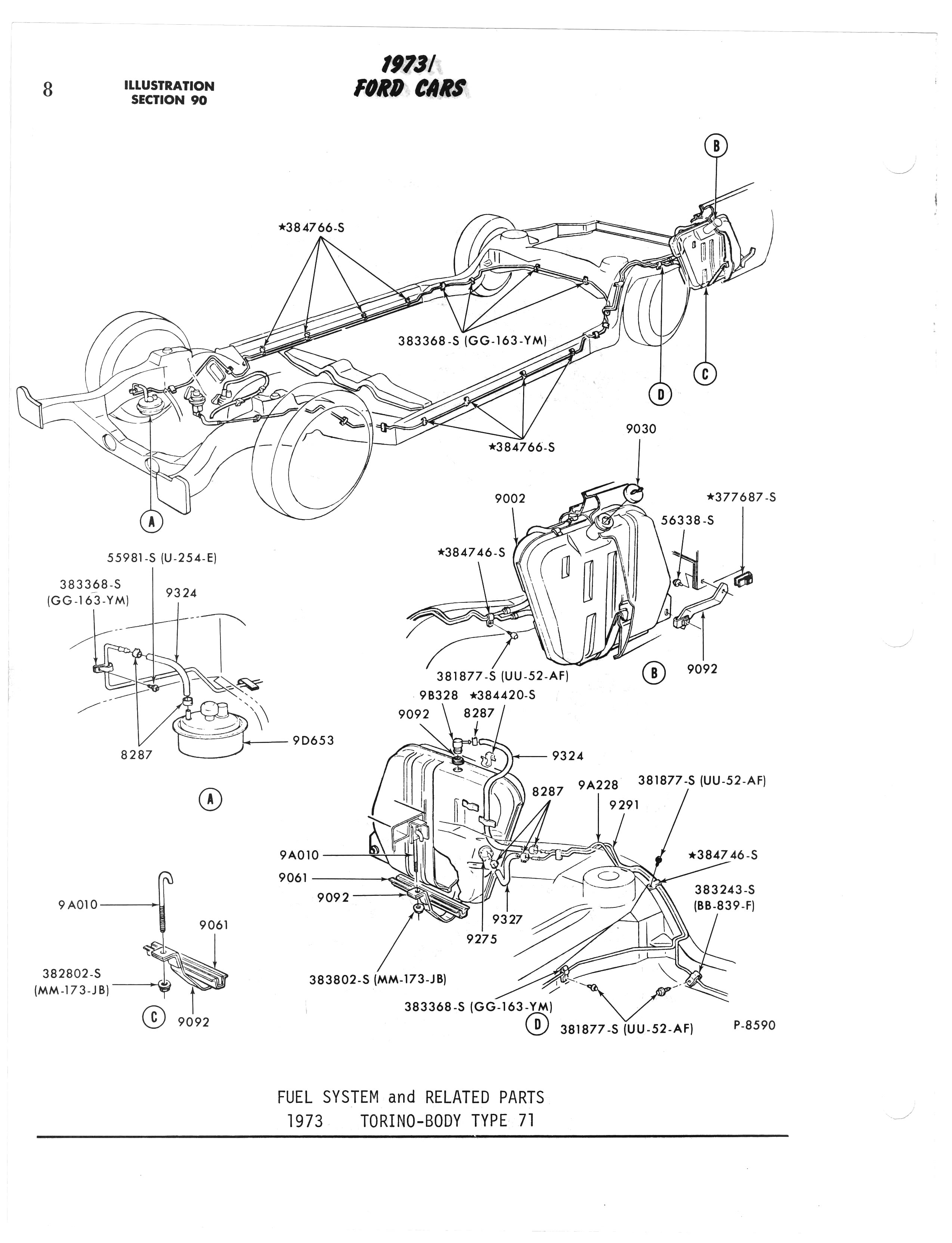
1973 Ford Part Illustrations - Section 90./Ford1973V2pix0213.jpg

Previous | Home | Next