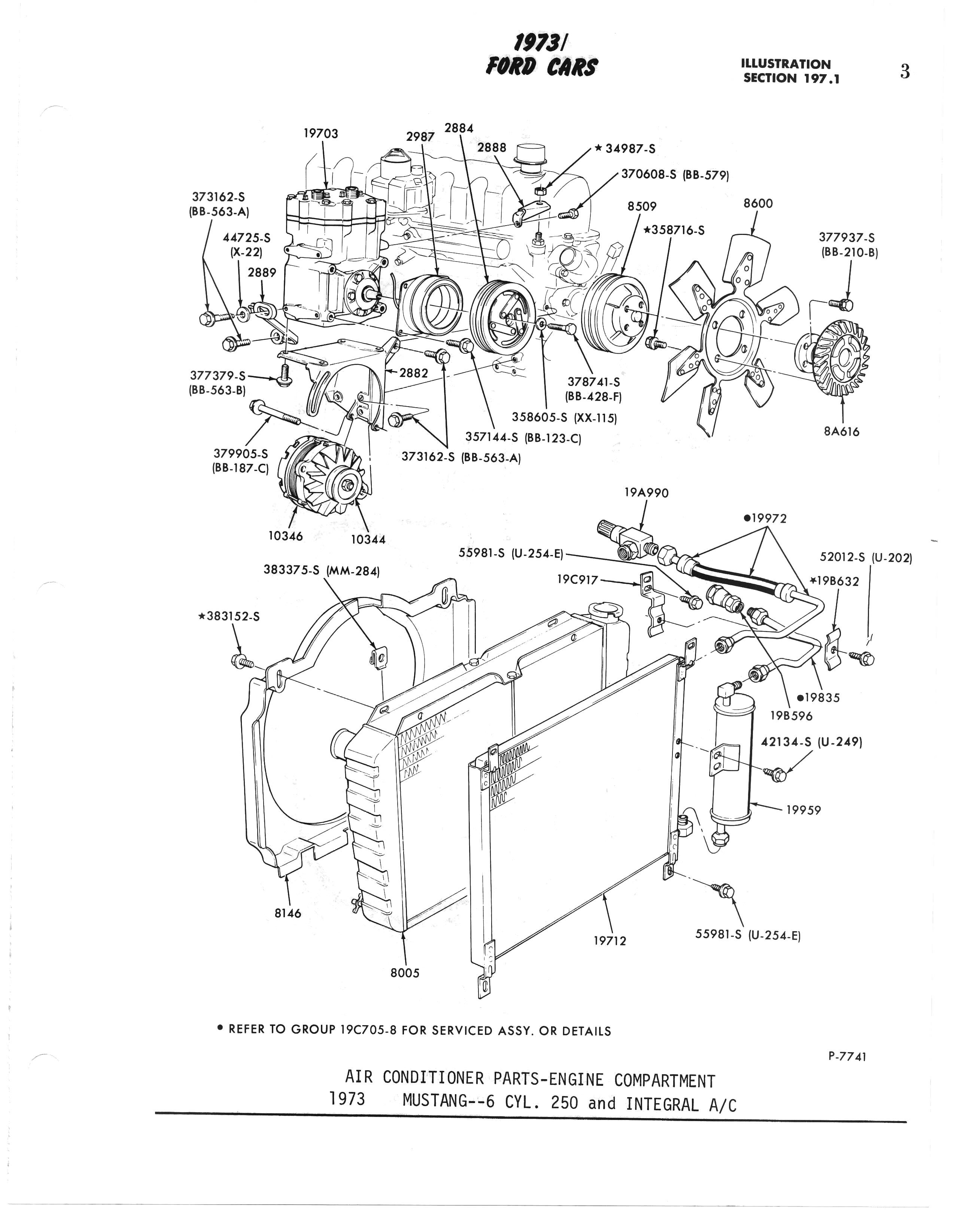
1973 Ford Part Illustrations - Section 175 176 184 185 188 195 197/Ford1973V2pix0508.jpg

Previous | Home | Next