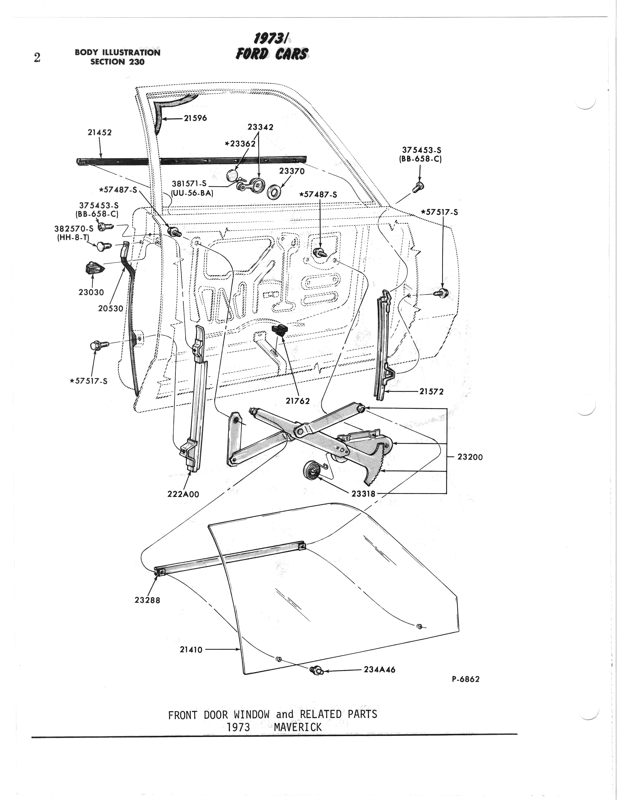
1973 Ford Part Illustrations - Section 230 240 290/Ford1973V2pix0565.jpg

Previous | Home | Next