The Old Car Manual Project
updated October 3, 2011

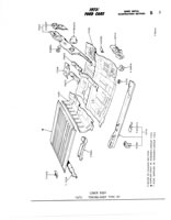
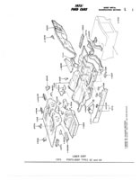
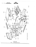
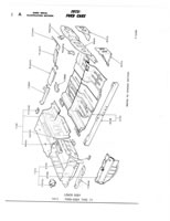
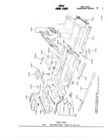
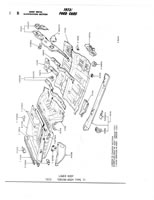
1973 Ford Parts Illustrations - Sheet Metal

Click on a link below to browse

click on the image again to resize to your page