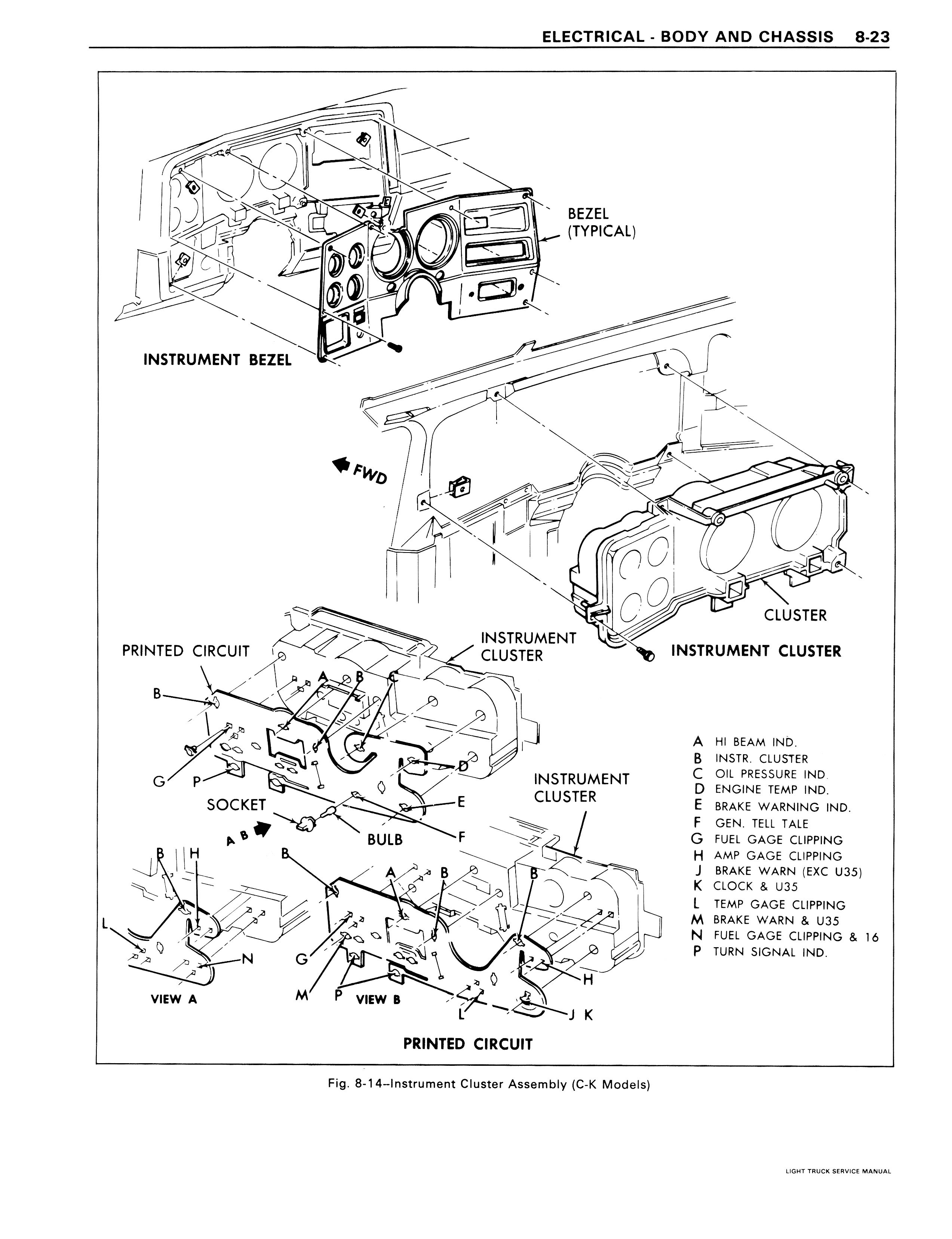
1979 GMC Series 10-35 Body and Chassis Electrical/79GMCService0853.jpg

Previous | Home | Next