The Old
Car Manual Project
updated June 6, 2013

Back to main index

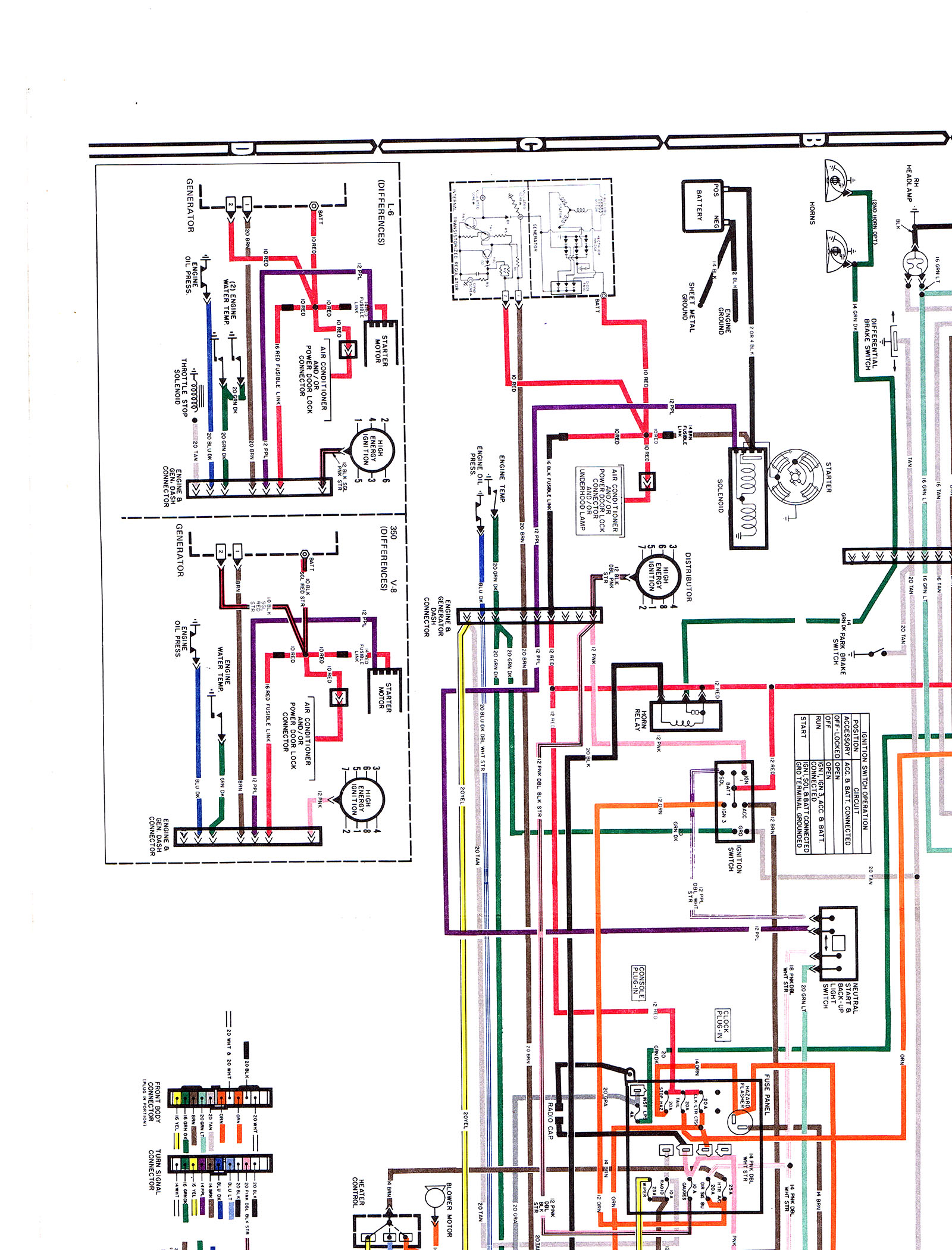
1976 Oldsmobile Shop Manual 1135


< prev. image image 1129 of 1390 next image >
<< first image back to thumbnail index last image >>

n_1976 Oldsmobile Shop Manual 1135.jpg

full size image

brochures home | new brochures | how to contribute | old index | privacy policy | oldcarblog | carburetor manuals