Updated October 18, 2020

Engine 303

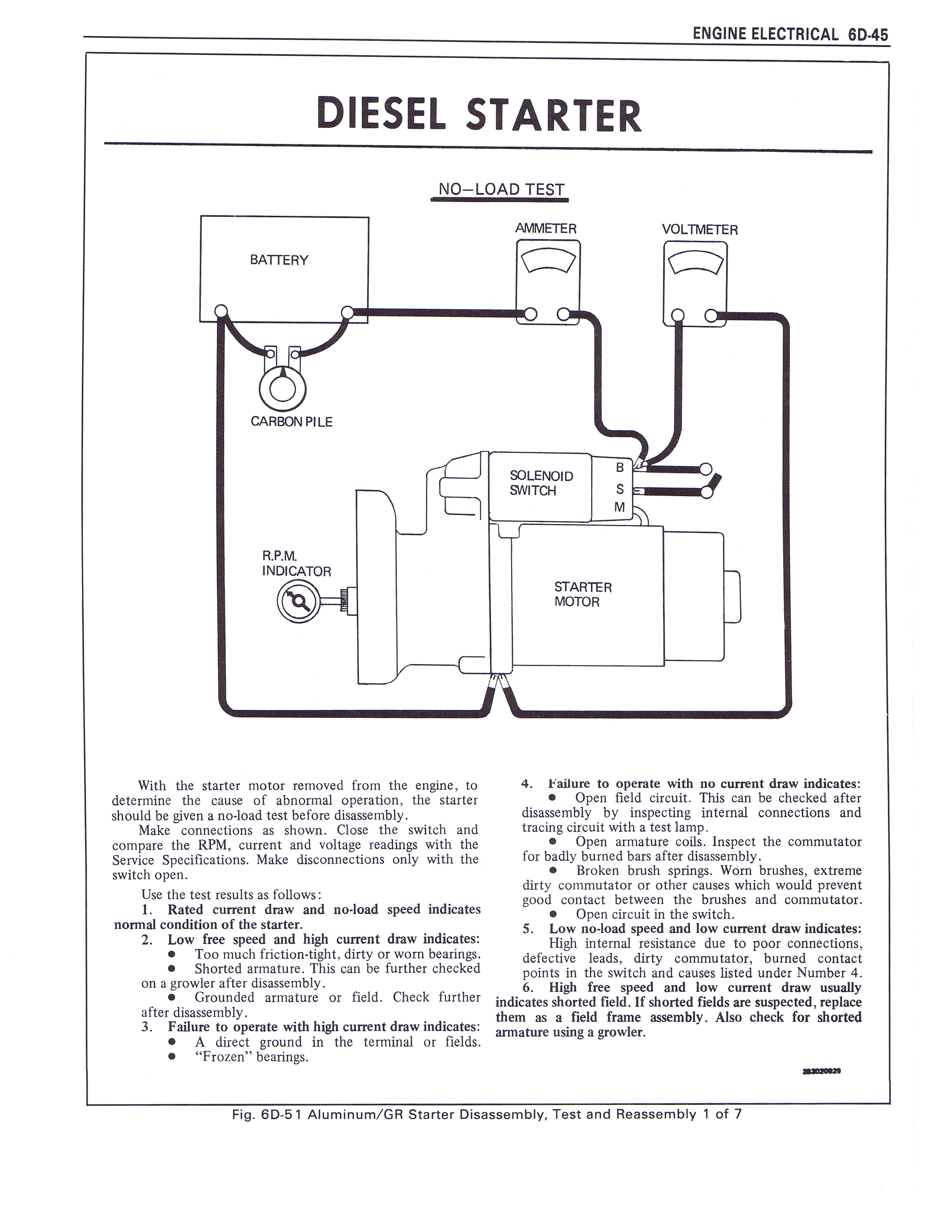
View this image in original size

The Old Car Guy
Much of the material on this website is in the public domain and has no copyright attached to it. Original articles appearing herein are subject to copyright. Please don't copy stuff from this site without asking; it may belong to someone! Material on this website is presented solely for historical research and educational purposes only. Any trademarks appearing on this site are the sole property of the registered owners. No endorsement by the trademark owners is to be construed, nor was any sought. The products, brand names, characters, related slogans and indicia are or may be claimed as trademarks of their respective owners. The use of such material falls under the Fair Use provisions of intellectual property laws. (c) 2000-2020 The Old Car Manual Project