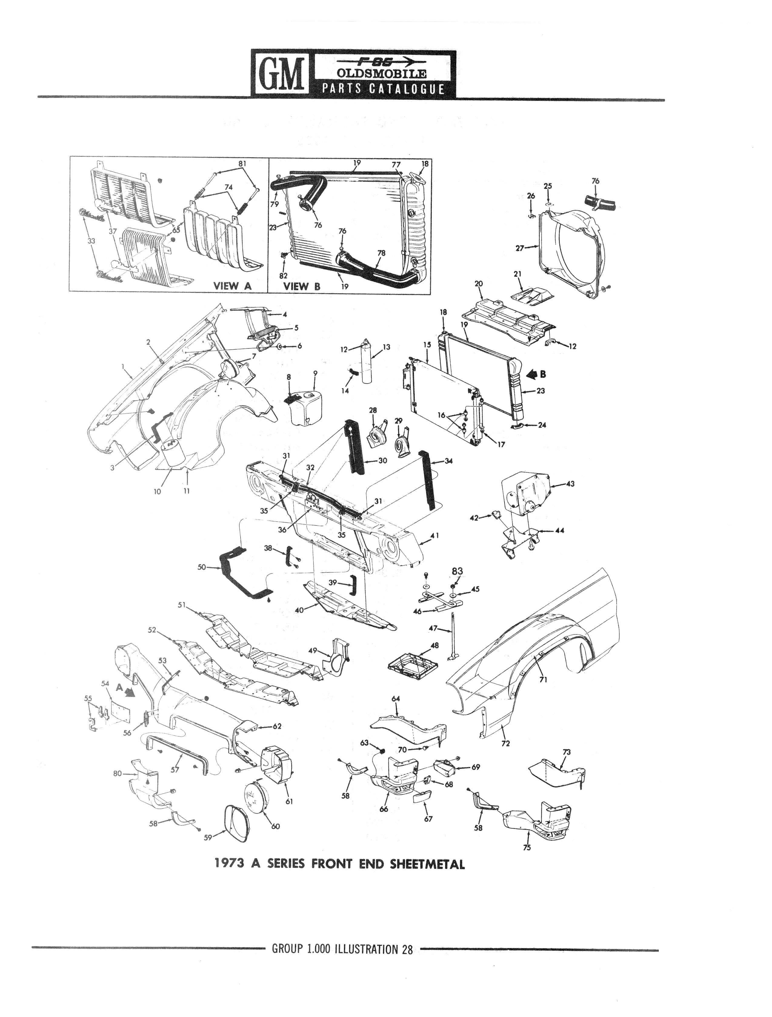
64-76 Olds Cutlass Parts/F85-Yellow0242.jpg

Previous | Home | Next