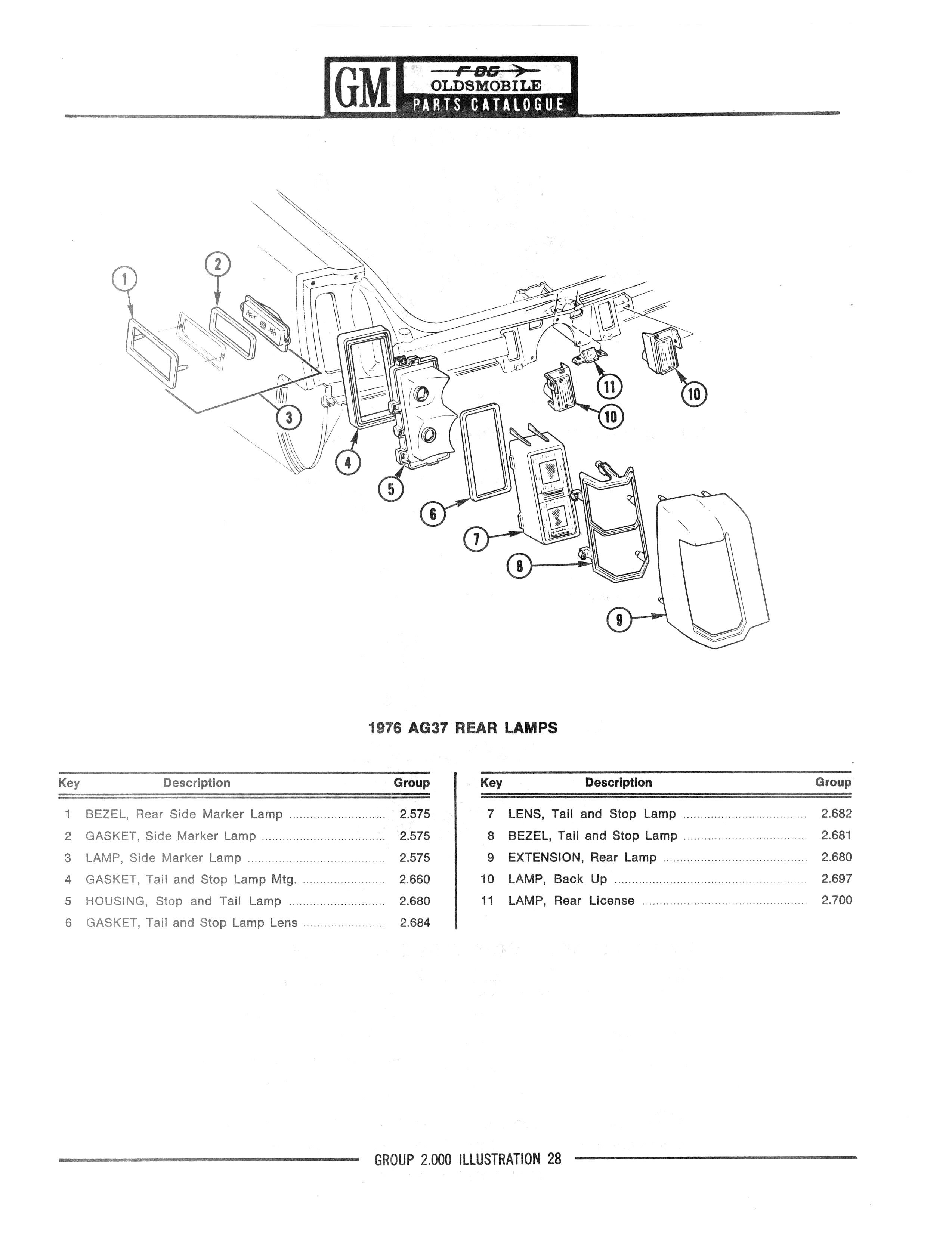
64-76 Olds F-85 Cutlass Parts/F85-Yellow0340.jpg

Previous | Home | Next