Navigation bar
  Start Previous page  17 of 76  Next page End Home  

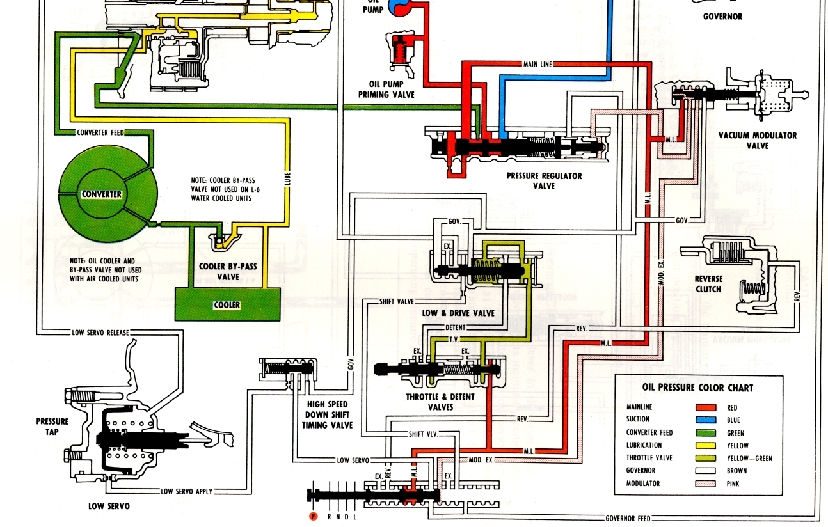
Ex. Fig. 28PG-Lubrication and Converter Circuits in Park or Neutral
Previous page Top Next page